联系我们

丹阳市永明机械制造有限公司

  • 联系人:徐卫明
  • 电 话:13861072016
  • 邮 箱:242167879@qq.com

气动葫芦

您现在的位置: 首页 > 乐竞平台_乐竞(中国) > 气动葫芦
  • HQ型气动葫芦
  • 微信图片_20210508132516

HQ型气动葫芦

查看:2951

时间:2020-10-18


.概述

     1  气动葫芦是目前世界上较为理想的起重设备。在工业发达国家早已被广泛采用。它具有电动葫芦不可比拟的优点:

a  耐酸碱、蒸汽、抗高粉尘。

b  体积小、轻便,重量为电动葫芦的1/3~1/8。

    2  正是基于上述优点,气动葫芦可广泛应用于石油、化工、煤矿、纺织、机械生产、船舶、     等领域。

    3   型号说明:

    产品的型号命名方式如下:

 

             image

                                        

示例:提升高度为3m、额定起重量为10t的气动葫芦表示为:HQ10-3。                                    

二.HQ气动葫芦的构成与功用

(一)其构成

image



1、带有链轮和过载保护的减速箱;

2、中央部分;上钩、吊挂体、链轮、链条、下钩等部分组成;3、带有制动功能的马达;

4、连接风源的控制部分以及操作阀;5、链条;

6、吊钩组。

(二)功用(主要介绍减速箱、马达、连接风源的控制部分)

1、带有链轮和过载保护的减速箱;包括三级行星减速齿轮组及过截调节两部分。1三级行星减速齿轮组:高速马达输入轴通过三级行星减速齿轮减速后输出到链轮,带动链条工作。2过截调节:由调整螺丝、压盖、蝶行弹簧和压在初级行星减速齿轮组周内齿轮两侧的铜摩擦片组成。当负载产生的旋转力小于过载摩擦力时,周内齿轮不动从而使气动葫芦工作。当负载产生的旋转力大于过载摩擦力时周内齿轮打滑,气动葫芦不工作。过载摩擦力的调节是通过松(或紧)调整螺丝来调节蝶行弹簧的弹力来实现的,从而起到过截保护作用。

2、带有制动功能的马达:主要包括缸筒、转子、叶片和两端缸盖部分。

1)、叶轮发动机工作原理。(见附图2

叶片马达由气缸套1、转子2和两端缸盖三部分组成。转子装在气缸套内,叶片装在转子的槽3内。叶片与缸套内壁及两端缸盖接触,每两个相邻的叶片形成一个腔室6,由于4.1叶片的面积比4.2叶片的面积大,当输入压缩空气时,作用在4.1叶片上的力大于作用在4.2叶片上的力,产生转子扭矩,转子转动。当腔室转到排气7时,压缩空气被排出。润滑腔8在马达叶片槽之间,它确保在250500小时的使用中,不断润滑马达。

图中箭头标明了转子的运动方向和空气的相应流动方向。 

 image 

2、连接风源的控制部分以及操作阀;通过按动操作阀使主流阀打开,向双向旋转阀腔内进气,在按动操作阀的同时双向旋转阀转动打开阀门向马达气缸进气。风源控制部分的原理。(见下图)。

image

 

 

 

 

 

 

 

 

 

 

 

 

 

 

 

 

 

 

三、HQ型气动葫芦技术参数表

序号

项目

 

 

 

 

单位

HQ6-(3~16)

HQ10-(3~16)

HQ16-(3~16)

HQ20-(3~16)

0.4

MPa

0.5MPa(额定气压)

0.6MPa

0.4

MPa

   0.5MPa

(额定气压)

0.6

MPa

0.4

MPa

   0.5MPa

(额定气压)

0.6 MPa

0.4

MPa

0.5MPa(额定气压)

0.6 MPa

1

额定起重量

t

5

6

6

8

10

10

14.5

16

16

16

20

20

2

提升速度

m/min

0.4

0.5

0.63

0.3

0.4

0.5

0.3

0.5

0.7

0.3

0.5

0.7

3

下降速度

m/min

1

1.1

1.2

1

1.2

1.5

1

1.5

1.6

1.2

1.7

1.8

4

耗气量

m3/min

3

3.3

3.8

3.5

4.3

5.3

3.8

4.3

5.5

4

4.5

5.2

四、气动葫芦的动力源

气动葫芦的动力源是压缩空气,为了使气动葫芦正常工作,对压缩空气需满足:

1、压缩空气清洁、干燥,即空气中夹杂的微粒尺寸小于40um,夹杂的微粒数量低于每立方米5克。

image

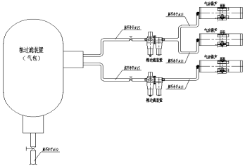
2、为保证气动葫芦压缩空气的质量,保证压缩空气过滤良好,并使气动葫芦供风量满足要求,必需正确连接粗过滤装置和精过滤装置如下图所示:

 


一般要求气动葫芦进气管不小于DN20,且要求接有过滤装置,一般要求进气管直径比出气管直径大一个以上的规格型号。

3、为了保证供风质量,还需保证粗过滤装置、精过滤装置及连接用的风管本身内部的清洁,为此必须在入井前对粗过滤装置、精过滤装置及连接用的风管进行封口,以免脏物进入其内,下井后还需用风压吹扫干净后方可连接投入使用。还要求定期清扫保证其清洁(要求一月一次)。

 

五、气动葫芦使用安全注意事项

1、气动葫芦的使用地点应有足够的空间尺寸,环境整洁,没有对操作者造成危险的危险源。

2、气动葫芦吊挂点应牢固可靠,6t气动葫芦吊挂点须不小于2根锚索并用,10t气动葫芦吊挂点须不小于4根锚索并用,20t气动葫芦吊挂点须不小于6根锚索并用。吊挂点需加强顶板支护满起吊安全需要。

3、气动葫芦操作人员需经过培训。熟悉气动葫芦的工作原理、内部结构及有关操作的安全注意事项等。

4、严禁超负荷能力提升、提升卡住的重物、起吊不能控制的外部能量设备(如液压缸、降落的物体)。

5、不容许任何人及其任何部位在吊挂重物下面。

6、在开始提升和拖拽物体时要小心谨慎操作。

7、在起吊工作的情况下,千万不要试图处理起吊过程中出现的问题。

8、在提升、拖拉和降低物体是,确保物体处于稳定状态,避免物体倾倒或落下引起事故。

9、用几个气动葫芦提升一个物体要避免负载不平衡而导致过载。

10、每次决不要提升或拖拉一件以上的物体。

11、风压不要超过工作压力。发生断气,要对重物实施保护。在取下空气管前,要关掉气源。

12、要拧紧松弛的螺栓。

13、及时检查吊钩,不要使用不能活动的、弯曲的、打开的或扭曲变形的吊钩,要及时更换。及时修理损坏的吊钩安全锁。

14、不要用吊钩钩尖部吊重物,只能在吊钩里面最深的地方。

15、不要在连接点处锁住吊钩、不要对吊钩作退火处理。

16、不要阻塞操作按键,不要使用不活动、不灵活的操作按键,应立即修理。

17、只用原始的JDN控制器操作JDN风动葫芦。

18、不要弯曲或挤压控制管。

19、在提升前将重物垂直放在风吊下方,链条应向下垂落。要避免松驰链条的打结,绞结的链条要整理好,检查打结链条是否受损。不要触摸运行的链条。

20、在通常工作情况下,决不要将链条运行到最终位置。

21、气动葫芦被启动而无法运行,检查是否链条受损。

22、不容许修理链条和连接链条(如用螺栓、连接环等)。

23、不要使用损坏的、损伤的、磨损的、生锈的、弯曲的、延伸的链条。

24、不要把负载链条作为提升链条使用。不使用吊链去捆绑提升物体。 

                                 

                  故障与排除

 

问题

可能原因

处理办法

不能提升

压力过低

将风压调到规定值

紧急制动被启动

排除危险,解除紧急制动

开关出现问题

修理开关

制动闸没有完全释放

调风压到规定值,必要时更换制动活塞的密封,调整间隙

制动片磨损,或者磨损不对称

更换制动片

风管泄漏或接头松动

检查风管接头,并将其拧紧

风管截面过小

更换大尺寸风管(检测风压)

服务单元被赃物堵住

清洗,并想办法改善空气质量

消音器堵塞

清洗或更换消音器部分

马达叶片磨损严重

更换马达叶片

马达干涩

加润滑油、检查油壶

马达控制阀失效

维修马达控制阀

安全离合器打滑

调整安全离合器

链条磨损造成安全离合打滑

更换链条

制动时的过度运转

制动闸磨损

更换闸片

链轮噪音太大

链条缺油、链条磨损

润滑/更换新的链条

链轮磨损严重

更换链轮,检查链条导块,必要时更换

链条没有安装正确

检查链条,必要时更换

提升或下降速度逐渐变慢或趋于停止

制动活塞安装过紧

在较高温度时调整制动活塞的间隙,同时设备也要加温

 

 

             易损件明细表

序号

名称

规格

数量

备注

1

链条

/

1


2

链轮

/

1


3

叶片

/

6


4

滚针轴承

/

12


5

向心轴承

/

3


6

向心轴承

/

3


 

            

 

                


                产品主要零(元)部件及重要原材料明细表

 

序号

零部件(材料)名称

规格型号(材质)

生产单位

安标证编号(或其它认证编号

有效期

受控类别

备注

1

二层钢丝编织液压支架软管

RB2-8

漯河市汇龙液压胶管有限公司

MEE050052

2017-1-5

B

HQ6-(3~16)

HQ10-(3~16)

HQ16-(3~16)

HQ20-(3~16)

2

马达

HQ6-QD-00

丹阳市永明机械制造有限公司

/

/

D

HQ6-(3~16)

HQ10-QD-00

HQ10-(3~16)

HQ16-QD-00

HQ16-(3~16)

HQ20- QD-00

HQ20-(3~16)

3

减速器

HQ6-JS-00

丹阳市永明机械制造有限公司

/

/

D

HQ6-(3~16)

HQ10-JS-00

HQ10-(3~16)

HQ16-JS-00

HQ16-(3~16)

HQ20- JS -00

HQ20-(3~16)

4

手控阀

HQ6-WG-01

丹阳市永明机械制造有限公司

/

/

D

HQ6-(3~16)

HQ10-WG-01

HQ10-(3~16)

HQ16-WG-01

HQ16-(3~16)

HQ20- WG-01

HQ20-(3~16)

 

注:当改变安标配套件时,应选择具有效MA证书的产品。性能参数和整机匹配。


     检查维护项目表及其时间间隔表

序号

检查维护项目

时间间隔表

1

检查控制器

每天

2

检查刹车

每天

3

测试过载保护开关

每天

4

测试紧急制动开关

每天

5

检查链条、润滑链条

检查链条每3个月,需要时润滑链条

6

在腐蚀环境下链条需要更换

最少5

7

检查链轮和导链

每次更换链条时

8

检查刹车磨损

每运行250小时或至少每年一次

9

检查螺栓松紧

每运行250小时或至少每年一次

10

检查挂钩(含承重部分和被悬挂部分)

每运行250小时或至少每年一次

11

检查风动马达、更换马达润滑剂

每运行250小时或至少每年一次

12

检查润滑起重钩轴承和链轮轴承

起重钩最大轴向公差为:2.5mm

13

检查消音器

每运行250小时或至少每年一次

14

检查过载保护

每年一次

15

检查传动装置、更换润滑油

每运行800小时或至少每5年一次

16

检查联轴器和离合器

每运行250小时或至少每年一次

17

检查气路是否损坏

每年一次

18

检查缓冲器

至少每年一次

19

检查辅助装置

每运行250小时或至少每年一次

 

 

 

 

 

 

 

 

 

 

 

 

 

 

 

 



上一主题: 没有了

下一主题: HQ1(3-16)1T单链气动葫芦

在线客服